Baštenski alati
Baštenski alati
Baštenski ručni alat
Baštenski ručni alat
Akumulatorski alati
Akumulatorski alati
Električni alati
Električni alati
Pneumatski alati
Pneumatski alati
Mašine i alati za čišćenje
Merni alat i tehnika
Merni alat i tehnika
Zavarivanje i lemljenje
Zavarivanje i lemljenje
Građevinske mašine i oprema
Setovi ručnog alata
Setovi ručnog alata
Klešta
Klešta
Ključevi
Ključevi
Specijalni ručni alat
Specijalni ručni alat
Oprema za čuvanje i transport alata
Odvijači, šrafcigeri i nastavci
Odvijači, šrafcigeri i nastavci
Noževi i sečiva
Testere, alati za sečenje i bušenje
Testere, alati za sečenje i bušenje
Stege i alati za pričvršćivanje
Stege i alati za pričvršćivanje
Alati za cevi
Čekići, dleta i turpije
Zaštitna oprema
Zaštitna oprema
Baštenski alati
Motorne testere
Cepači drva
Drobilice i seckalice za grane
Mini motorne testere
Testere za visoke grane
Makaze za grane
Akumulatorske makaze za orezivanje
Trimeri
Aeratori i vertikulatori
Električne kosačice
Benzinske kosačice
Samohodne kosačice
Akumulatorske kosačice
Robot kosilice
Čeone kosilice
Ručne kosilice
Motorni kultivatori
Bušači za zemlju
Hidropaci i hidrofori za vodu
Pumpe za vodu
Motorne pumpe za vodu
Motorne prskalice
Traktori za baštu
Baštenski višenamenski alati
Pribor za perače pod pritiskom
Pribor za trimere
Pribor za pumpe za vodu
Pribor za makaze za orezivanje
Oprema za baštenske alate
Prateća oprema za cepače drva
Baštenski ručni alat
Sekira
Creva za vodu
Motalice za creva
Motalice sa crevom
Prskalice za creva za vodu
Makaze za visoke grane
Ručne makaze za živu ogradu i travu
Makaze za grane
Vinogradarske i voćarske makaze
Alat za korov
Testere za grane
Prskalice
Lopate
Motike
Krampovi
Grabulje i kultivatori
Beračice voća
Sejalice
Sadilice i plevilice
Kose i vile
Cerade i mreže za zasenu
Bačve
Slavine i izvodi za slavine
Baštenske rukavice
Alat i pribor za vezivanje biljaka
Četke i valjci za farbanje
Akumulatorski alati
Baterije i punjači
Aku bušilice
Akumulatorski odvijači bušilice
Akumulatorski udarni odvijači
Akumulatorske udarne bušilice
Aku testere
Akumulatorski čekići
Višenamenski aku alati
Akumulatorski ugaoni odvijači
Akumulatorske brusilice
Radne lampe
Makaze za lim i armaturu
Punjači akumulatora i starteri akumulatora
Baštenski akumulatorski alat
Akumulatorkse glodalice
Akumulatorski i pneumatski pištolji za zakovice
Akumulatorske heftalice
Akumulatorski vibratori za beton
Radio aparati i ventilatori
Akumulatorski frižideri i rashladni boksevi
Električni alati
Bušilice
Vibracione bušilice
Ugaone bušilice
Udarne čekić bušilice
Čekići za rušenje i štemovanje
Magnetne i stubne bušilice
Udarni odvijači i zavrtači
Ugaone brusilice
Vibracione brusilice
Tračne brusilice
Ekscentar brusilice
Polirke
Multifunkcionalni alati i brusilice
Brusilice za zidove - žirafe
Dvostrana tocila
Delta brusilice
Čeone brusilice
Ubodne testere
Kružne testere
Mini kružne testere (do 140mm)
Alati za sečenje
Tokarski uređaj (strug)
Testere za metal
Potezne testere
Stacionarne tračne testere
Ručne tračne testere
Stone testere
Diht abrihteri
Šlicerice za zid - rezači kanalica u zidovima
Testere sa uranjanjem
Recipro testere - lisičiji rep
Alati za obradu lima
Dremel alati
Glodalice
Kekserice
Električno rende
Dijamantske bušilice
Mešalice
Separatori
Generatori toplog vazduha i grejalice
Fen za vruć vazduh
Ostali električni alat
Pribor za bušenje
Četke za brušenje
Pribor za sečenje i brušenje
Brusni papir
Stalak za bušilicu ili brusilicu
Pribor za usisavanje
Dremel pribor
Pneumatski alati
Kompresori
Tihi (Silent) kompresori
Kompresori za gume
Pneumatski odvijači
Pneumatski pištolji za eksere i heftalice
Pneumatske bušilice i čekići
Pneumatski konektori
Pneumatske brusilice
Račne i čegrtaljke
Motalice za creva za vazduh
Pištolji za vazduh
Creva za kompresore
Pištolji za duvanje guma
Pištolji za farbanje i peskarenje
Ostali pneumatski alat
Oprema za pneumatske alate
Pripremne grupe
Sušači vazduha
Mašine i alati za čišćenje
Merni alat i tehnika
Laserski daljinomeri
Laserski nivelatori
Laseri za ukrštene linije
Linijski laseri
Termalne kamere
Detektori
Merni instrumenti
Stativi za lasere
Pribor za merne instrumente
Digitalni merači
Multimetri
Uglomeri
Testeri napona
Visinomeri
Paralelna granična merila - etaloni
Pomična merila
Mikrometri
Merni nosači
Metri
Libele
Lenjiri, šestari, ugaonici
Kontrolni alati
Vinkle
Merni točkovi
Merni satovi
Dubinomeri
Amper klešta
Oprema za obeležavanje
Kamere za cevi
Zavarivanje i lemljenje
Građevinske mašine i oprema
Setovi ručnog alata
Setovi gedora, ključeva, nastavaka i bitova
Setovi nasadnih ključeva
Setovi imbus ključeva
Setovi viljuškasto-okastih ključeva
Setovi cevastih ključeva
Setovi odvijača
Setovi izolovanih odvijača
Mešoviti setovi alata
Ključevi za alu felne
Setovi bitova
Držači bitova
Setovi burgija
Setovi glodala
Stezne glave i nastavci
Klešta
Klešta za blankiranje
Krimp klešta
Kombinovana klešta
Klešta za sečenje
Klešta za elektroniku
Dijagonalne sečice
Klešta za armaturu
Klešta za pop nitne
Čeone sečice
Klešta za sečenje sajli
Grip klešta
Špicasta klešta
Pljosnata klešta
Klešta za specijalne namene
Stolarska klešta
Klešta za Seger osigurače
Klešta za sečenje kablova
Klešta za šelne
Ključevi
Moment alati
Podešavajući / francuski ključevi
Kombinovani ključevi
Reverzibilni (brzi) ključevi
Inbus ključevi
Okasti ključevi
Viljuškasti ključevi
Račne / Reverzibilne ručice
Nasadni ključevi
Cevasti ključevi
Gedore
Ključevi sa T ručkom
Specijalni ključevi
Ključevi za filter
Ključevi za ormane
Adapteri za ključeve
Produžeci za ključeve
Ključevi za točkove
Specijalni ručni alat
Alati za automehaničare
Alati za auto stakla
Vulknizarski alati i mašine
Dizalice
Pajseri i alati za obijanje
Oprema za radionice
Alati za servis kočnica
Radni stolovi
Oprema za lubrikante
Ulja i maziva za alate
Mazalice
Ležaljke i prostirke
Alati za bicikle i motocikle
Limarski alat
Radapcigeri
Setovi za vađenje vijaka
Vakuumski podizači
Sajle za kablove
Magnetizeri
Inspekcijska ogledala
Refraktometar
Nevarničeći alati
Oprema za čuvanje i transport alata
Odvijači, šrafcigeri i nastavci
Noževi i sečiva
Testere, alati za sečenje i bušenje
Alati za modelovanje i izrezivanje
Dekupir testere
Alati za pločice i keramiku
Testere
Sekači
Termički rezači / Rezači sa vrućom žicom
Japanske testere
Alati za postavljanje laminata
Burgije
Burgije za drvo
SDS-Plus burgije za beton
SDS-Max burgije za beton
Burgije za metal
Dijamantske burgije
Stepenaste burgije
Burgije za klap šarke
Alati za gipsare
Upuštači
Nareznice i ureznice
Šila, zumbe
Izbijači i probijači
Burgije za zemlju
Oštrači lanaca za testere
Postolja za testere
Pribor za testere
Listovi za sečenje drveta
Listovi za sečenje metala
Višenamenski listovi testere (univerzalni)
Dijamantski listovi za testeru
Listovi za sečenje plastike
Listovi za sendvič panele
Krunaste testere
Weldon burgije
Mačevi / vodilice za motorne testere
Lanac za testere
Stege i alati za pričvršćivanje
Alati za cevi
Čekići, dleta i turpije
Zaštitna oprema
Villager akcija Januar 12.01.-31.01.2026.
Super alati - novogodišnja akcija
Ingco Januarska akcija od 01.01.2026.-31.01.2026.
Einhell mesečna akcija 01.01.2026.-31.01.2026.
Scheppach akcija alata 01.01.2026.-31.01.2026.
Knipex - Best Sellers 01.01.2026.-31.01.2026.
Makita akcija 01.01.2026.-31.01.2026.
Metabo Bestseller ponuda 01.01.2026.-31.01.2026.
Krause merdevine 01.01.2026.-31.01.2026.
Unior sezonska akcija voćarskog alata 17.01.-19.03.2026.
Prikaži sve
Unior ključ lulasti dvostrani dvanaestougli 24mm 177 609099




- Proizvođač
Standardno vreme isporuke je 3-5 radnih dana.
Ukoliko je artikal ipak rasprodat i ne možemo da ga isporučimo - obavestićemo vas najkasnije u roku od 2 radna dana od trenutka prijema vaše narudžbenice.
Oni se posebno naplaćuju. Troškovi isporuke ne zavise od mesta isporuke, već isključivo od mase pošiljke i računaju se za celokupnu pošiljku. Troškovi isporuke biće prikazani na samom kraju procesa naručivanja, neposredno pre nego što ostavite podatke za isporuku.
Cenovnik dostave:
masa pošiljke - cena isporuke u rsd
do 20 kg - 440 rsd - za uplatu unapred
do 20 kg - 490 rsd - za plaćanje pouzećem
20 - 50kg - 1090 rsd
50 - 70kg -2390 rsd
70 - 100 kg - 2990 rsd
Preko 100 kg svaki dodatni kg se naplaćuje 48.94 rsd
Napomena: ovaj cenovnik se ne primenjuje za merdevine, s obzirom da je transport merdevina odredjen gabaritom. Cena isporuke za svake pojedinačne merdevine koja imaju više od 4 gazišta je 640 din. Merdevine koje imaju do 4 gazišta se isporučuju po ceni od 349 din.
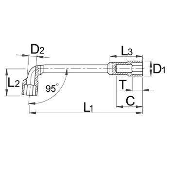
Ključ lulasti dvostrani dvanaestougli 24mm 177 Unior 609099
Materijal: premium hrom-vanadijum čelik.
Kovan, u potpunosti poboljšan i ojačan.
Hromiran (EN12540).
L1:249
L2:64.5
C:68.5
D1:34.5
T:25.5
L3:77
D2:18
Težina:713gr
Artikal još nije ocenjen
Nema komentaraOva web stranica koristi kolačiće
Kolačiće koristimo kako bi ova Internet strana radila pravilno, kako bismo mogli da dalje unapređujemo korisničko iskustvo, kao i u cilju praćenja statistike. Više informacija o kolačićima koje koristimo možete dobiti klikom na dugme "Prikaži detalje". klikom na dugme "Slažem se" ili nastavkom korišćenja naših internet stranica smatramo da se slažete sa upotrebom kolačića.



























Pošaljite Vaš komentar / Ocenite ovaj artikal